Блоки предохранителей и реле ВАЗ-2107

2107 фото

Все предохранители и реле в легендарной семёрочке. В этой статье собраны описания блоков предохранителей и реле Ваз 2107 со схемами и всеми вариантами исполнения 👇. Также покажем предохранитель прикуривателя и расскажем где находится реле печки, и предохранитель и реле бензонасоса. Также в конце статьи будет фото расположения диагностического разъёма.



Блок предохранителей и реле ВАЗ 2107 под капотом



новый блок


2107 расположение блока предохранителей

с открытой крышкой

2107 фото блока предохранителей

старый блок



2107 фото старого блока предохранителей

№ предохранителя (номинальный ток)*Назначение предохранителей
F1 (8А/10А)Задние фонари (свет заднего хода). Предохранитель заднего хода. Электродвигатель отопителя. Предохранитель печки. Лампа сигнализатора и реле обогрева заднего стекла (обмотка). Электродвигатель очистителя и омывателя заднего стекла (ВАЗ-21047)
F2 (8/10А)Электродвигатели очистителей, омывателей ветрового стекла и фар. Реле очистителей, омывателей ветрового стекла и фар (контакты). Предохранитель дворников ВАЗ 2107
F3/4 (8А/10А)Запасной
F5 (16А/20А)Нагревательный элемент обогрева заднего стекла и его реле (контакты)
F6 (8А/10А)Предохранитель прикуривателя ВАЗ 2107. Штепсельная розетка для переносной лампы
F7 (16А/20А)Звуковой сигнал. Электродвигатель вентилятора охлаждения радиатора. Предохранитель вентилятора ВАЗ 2107.
F8 (8А/10А)Указатели поворота в режиме аварийной сигнализации. Выключатель и реле- прерыватель указателей поворота и аварийной сигнализации (в режиме аварийной сигнализации)
F9 (8А/10А)Противотуманные фонари. Регулятор напряжения генератора Г-222 (на части автомобилей)
F10 (8А/10А)Комбинация приборов. Предохранитель панели приборов. Лампа сигнализатора и реле заряда аккумуляторной батареи. Указатели поворотов и соответствующие лампы сигнализаторов. Лампы сигнализаторов резерва топлива, давления масла, стояночного тормоза и уровня тормозной жидкости. Вольтметр. Приборы системы управления электропневмоклапаном карбюратора. Реле-прерыватель лампы сигнализатора стояночного тормоза
F11 (8А/10А)Лампы сигнала торможения. Плафоны внутреннего освещения кузова. Предохранитель стоп сигнала.
F12 (8А/10А)Дальний свет (правая фара). Обмотка включения реле очистителей фар
F13 (8А/10А)Дальний свет (левая фара) и лампа сигнализатора включения дальнего света фар
F14 (8А/10А)Габаритный свет (левая фара и правый задний фонарь). Лампа сигнализатора включения габаритного света. Фонари освещения номерного знака. Подкапотная лампа
F15 (8А/10А)Габаритный свет (правая фара и левый задний фонарь). Лампа освещения приборов. Лампа освещения прикуривателя. Лампа освещения вещевого ящика
F16 (8А/10А)Ближний свет (правая фара). Обмотка включения реле очистителя фар
F17 (8А/10А)Ближний свет (левая фара)
* В знаменателе для предохранителей штыревого типа


реле в монтажном блоке ВАЗ-2107


№ релеНазначение
1Реле включения обогрева заднего стекла
2Реле включения очистителей и омывателей фар
3Реле включения звуковых сигналов (установлена перемычка)
4Реле включения электродвигателя вентилятора системы охлаждения (с 2000 года не используется)
5Реле включения дальнего света фар
6Реле включения ближнего света фар


Блок предохранителей и реле в салоне ВАЗ-2107 инжекторная



блок находится за бардачком

2107 фото старого блока предохранителей

№ реле/
преда
токНазначение
F17,5АПредохранитель цепи главного реле
F27,5АПредохранитель ЭБУ
F315АПредохранитель бензонасоса
R1Главное реле
R2Реле топливного насоса
R3Реле электровентилятора


Расположение диагностического разъёма в ВАЗ 2107 инжектор



Разъём диагностики находится с правой стороны под бардачком, на фото показан стрелкой



2107 фото расположения разъёма диагностики

2107 фото расположения разъёма OBD

Где находится кнопка валет в ВАЗ 2107



Кнопка валет служит для настройки и аварийного снятия с охраны сигнализации без брелка, последовательность действий для аварийного снятия смотрите в руководстве пользователя для вашей модели сигнализации. Установщик может поставить кнопку валет в любое место, но из практики чаще всего она бывает установлена возле диагностического разъёма, на фото показана стрелкой. Также чаще всего там же можно найти и датчик удара, на нём можно отрегулировать чувствительность на слабый и сильный удар.



2107 фото расположения разъёма OBD

Схема подключения генератора ВАЗ-2107



2107 схема и цвета проводов генератора

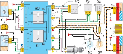
Схема и цвета проводов габаритов и фар ВАЗ 2107



2107 схема и цвета проводов габаритов, ближнего и дальнего света фар

Схема и цвета проводов поворотов и аварийки ВАЗ 2107



2107 схема и цвета проводов поворотов и аварийки

Схема и цвета проводов стоп сигналов ВАЗ 2107



2107 схема и цвета проводов стоп сигналов

Схема и цвета проводов платы заднего фонаря ВАЗ 2107



2107 схема и цвета проводов заднего фонаря

Распиновка и цвета проводов выключателя фар ВАЗ 2107



2107 схема и цвета проводов выключателя габаритов и фар